暫無信息。
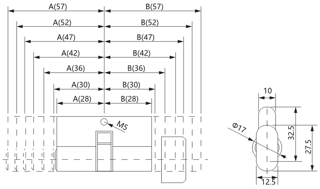
A為鑰匙端到中心的尺寸
B為手輪端到中心的尺寸
在線詢盤
首頁
電話
郵箱
聯係
聯係我們
廣東雄進金屬製品有限公司
我們始終為客戶提供可靠的產品和周到的服務
如果您想直接與我們取得聯係,請聯係我們